
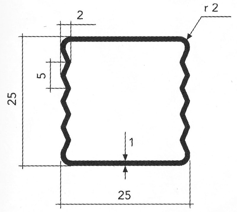
Profiles-speciaux-EN_10305-3-S3-S4 > T-1964
            Ref:T.1964
            
				
            T.1964
		Seulement Vendu en paquets entiers ( 150 ou 200 bar)
	
		
    
| thickness (mm) | kg/m | 
| 1 | 1,48 | 
Autres produits recommandés
 




 
         
 
 
	 
 
	 
 
	 
 
	 
 
	 
 
	 
 
	 
 
	 
 
	 
 
	 
         
         
        		
 
                            