
Profiles-speciaux-EN_10305-3-S3-S4 > T-1302
Ref:T.1302
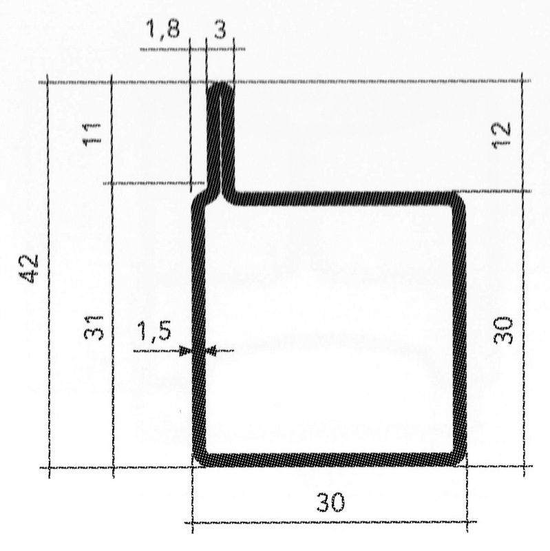
T.1302
Seulement Vendu en paquets entiers ( 150 ou 200 bar)
|
thickness (mm) |
kg/m |
| 1,5 | 1,61 |
Autres produits recommandés




